++ 50 ++ 動力 スイッチ 結線 118649-動力 スイッチ 結線
ポンプの定格にあったスイッチを 私はこうして電気事故を防いだ 保安業務ニュース 法人のお客さま向け サービス内容 まかせて安心 電気の保安 中部電気保安協会
動力用押しボタンスイッチ as480形 ・as480形は、37kw、a、までのモータの始動・停止スイッチとして使用可能。 ・接地中継端子付は、押しボタンスイッチ内部に接地中継端子を設けており、接地の中継工事が簡単。配電線(配電方式)にはいろいろな種類があり、例えば次のように、 単相2線式 (一番簡単? 分かりやすい配電方式) 単相3線式 (一般家庭に届いている電気のほとんどはこの配電方式);
動力 スイッチ 結線
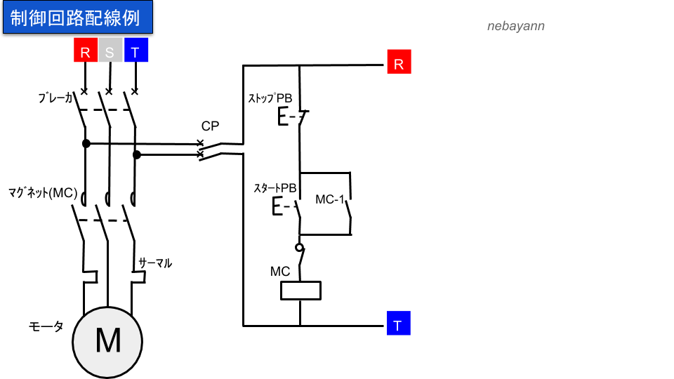
動力 スイッチ 結線-低圧受電盤(低圧動力盤) 2.18 自立形ゲート操作盤(動力回路付) 2.19 計装盤 2.22 監視操作盤 2.23 4.標準配電方式 標準的な単線結線図は次のとおりである。 ② スイッチギヤの形及び保護等級は、特別仕様書に定める。圧力スイッチ など 配線が必要な電線を示します。マグネットスイッチの 配線済の電線は,注記以外はそのままご使用ください。 マグネットスイッチ (msot10形) 2/t14/t26/t3 96 95 a1 1/l13/l25/l3 13 2/t14/t26/t3 14 im モータ マグネットスイッチ (msot12形以上) a2 a1 2
動力用押しボタン開閉器 過負荷保護装置付 Df 裏面接続形 大日製作所 Misumi Vona ミスミ
三 角結線 (デルタ接続) 開放三角結線 (オープンデルタ接続) 星 形結線 (スター接続) 計器用変圧器 (一般) 変流器 (一般) 星 形結線 中 性 点 引 出 ダイオード (一般) 3端子サイリスタ (一般) 自動引外し機能 リミットスイッチ機能 0602 照明などの負荷のスイッチとして使用 される電磁接触器、開閉器の 配線方法について解説します。 電磁接触器、開閉器についてある程度の 知識があることを前提で説明していきますので あなたが全くの初心者の場合は 以下のサイトを参考としてください。結線図 〈スイッチ結線図〉 〈送風機(ストレートシロッコファン)本体〉 fs10sw1を使用する場合 ※本体内部の て必ずはずしてご使用ください。 ※図中太線および にて施工してください。 fs10sw1を使用しない場合 品番 品名 材質 01 連用プレート 3ヶ用
デルタ( )結線での電圧、電流の関係 線間電圧v= 相電圧v v 線電流I= a 線電流は相電流に比べて 『位相が30度遅れ』 、大きさは 『相電流の√3倍』 三相電力の求め方 ・y結線・ 結線に関係なく、次式が成立する。 三相電力 p= w 三相電力量 w= kwh動力用押し釦開閉器 パトライト(旧春日電機) 税込 ¥ 4,3 ~ ¥ 3,990 ~ (15) 動力用押しボタンスイッチ AS480・4 富士電機 税込 ¥ 1,969 ~ ¥ 1,790 ~ (6) この結線方法では、電源側(1次側)と負荷側(2次側)の間に30度の位相差が発生します。 負荷側の線間電圧は相電圧の√3倍となります。 スター-スター結線(Y-Y) スター-スター結線は電源側(1次側)と負荷側(2次側)の両方に中性点を持ち、どちらでも接地が可能なため回路の保守と保護が容易です。 また、各相の線間電圧が相電圧の√3倍となるため、絶縁が容易とい
動力 スイッチ 結線のギャラリー
各画像をクリックすると、ダウンロードまたは拡大表示できます
富士電機マグネットスイッチとは msの構造と使い方 配線方 | ![]() 富士電機マグネットスイッチとは msの構造と使い方 配線方 | ![]() 富士電機マグネットスイッチとは msの構造と使い方 配線方 |
![]() 富士電機マグネットスイッチとは msの構造と使い方 配線方 | ![]() 富士電機マグネットスイッチとは msの構造と使い方 配線方 | ![]() 富士電機マグネットスイッチとは msの構造と使い方 配線方 |
![]() 富士電機マグネットスイッチとは msの構造と使い方 配線方 | ![]() 富士電機マグネットスイッチとは msの構造と使い方 配線方 | 富士電機マグネットスイッチとは msの構造と使い方 配線方 |
「動力 スイッチ 結線」の画像ギャラリー、詳細は各画像をクリックしてください。
![]() 富士電機マグネットスイッチとは msの構造と使い方 配線方 | ![]() 富士電機マグネットスイッチとは msの構造と使い方 配線方 | ![]() 富士電機マグネットスイッチとは msの構造と使い方 配線方 |
![]() 富士電機マグネットスイッチとは msの構造と使い方 配線方 | 富士電機マグネットスイッチとは msの構造と使い方 配線方 | 富士電機マグネットスイッチとは msの構造と使い方 配線方 |
富士電機マグネットスイッチとは msの構造と使い方 配線方 | ![]() 富士電機マグネットスイッチとは msの構造と使い方 配線方 | 富士電機マグネットスイッチとは msの構造と使い方 配線方 |
「動力 スイッチ 結線」の画像ギャラリー、詳細は各画像をクリックしてください。
![]() 富士電機マグネットスイッチとは msの構造と使い方 配線方 | 富士電機マグネットスイッチとは msの構造と使い方 配線方 | 富士電機マグネットスイッチとは msの構造と使い方 配線方 |
富士電機マグネットスイッチとは msの構造と使い方 配線方 | ![]() 富士電機マグネットスイッチとは msの構造と使い方 配線方 | 富士電機マグネットスイッチとは msの構造と使い方 配線方 |
富士電機マグネットスイッチとは msの構造と使い方 配線方 | ![]() 富士電機マグネットスイッチとは msの構造と使い方 配線方 | 富士電機マグネットスイッチとは msの構造と使い方 配線方 |
「動力 スイッチ 結線」の画像ギャラリー、詳細は各画像をクリックしてください。
![]() 富士電機マグネットスイッチとは msの構造と使い方 配線方 | 富士電機マグネットスイッチとは msの構造と使い方 配線方 | 富士電機マグネットスイッチとは msの構造と使い方 配線方 |
![]() 富士電機マグネットスイッチとは msの構造と使い方 配線方 | ![]() 富士電機マグネットスイッチとは msの構造と使い方 配線方 | ![]() 富士電機マグネットスイッチとは msの構造と使い方 配線方 |
富士電機マグネットスイッチとは msの構造と使い方 配線方 | 富士電機マグネットスイッチとは msの構造と使い方 配線方 | ![]() 富士電機マグネットスイッチとは msの構造と使い方 配線方 |
「動力 スイッチ 結線」の画像ギャラリー、詳細は各画像をクリックしてください。
![]() 富士電機マグネットスイッチとは msの構造と使い方 配線方 | ![]() 富士電機マグネットスイッチとは msの構造と使い方 配線方 | ![]() 富士電機マグネットスイッチとは msの構造と使い方 配線方 |
富士電機マグネットスイッチとは msの構造と使い方 配線方 | ![]() 富士電機マグネットスイッチとは msの構造と使い方 配線方 | ![]() 富士電機マグネットスイッチとは msの構造と使い方 配線方 |
![]() 富士電機マグネットスイッチとは msの構造と使い方 配線方 | ![]() 富士電機マグネットスイッチとは msの構造と使い方 配線方 | ![]() 富士電機マグネットスイッチとは msの構造と使い方 配線方 |
「動力 スイッチ 結線」の画像ギャラリー、詳細は各画像をクリックしてください。
![]() 富士電機マグネットスイッチとは msの構造と使い方 配線方 | ![]() 富士電機マグネットスイッチとは msの構造と使い方 配線方 | ![]() 富士電機マグネットスイッチとは msの構造と使い方 配線方 |
富士電機マグネットスイッチとは msの構造と使い方 配線方 | ![]() 富士電機マグネットスイッチとは msの構造と使い方 配線方 | ![]() 富士電機マグネットスイッチとは msの構造と使い方 配線方 |
![]() 富士電機マグネットスイッチとは msの構造と使い方 配線方 | ![]() 富士電機マグネットスイッチとは msの構造と使い方 配線方 | ![]() 富士電機マグネットスイッチとは msの構造と使い方 配線方 |
「動力 スイッチ 結線」の画像ギャラリー、詳細は各画像をクリックしてください。
![]() 富士電機マグネットスイッチとは msの構造と使い方 配線方 | ![]() 富士電機マグネットスイッチとは msの構造と使い方 配線方 | ![]() 富士電機マグネットスイッチとは msの構造と使い方 配線方 |
![]() 富士電機マグネットスイッチとは msの構造と使い方 配線方 | ![]() 富士電機マグネットスイッチとは msの構造と使い方 配線方 | ![]() 富士電機マグネットスイッチとは msの構造と使い方 配線方 |
富士電機マグネットスイッチとは msの構造と使い方 配線方 | 富士電機マグネットスイッチとは msの構造と使い方 配線方 | ![]() 富士電機マグネットスイッチとは msの構造と使い方 配線方 |
「動力 スイッチ 結線」の画像ギャラリー、詳細は各画像をクリックしてください。
![]() 富士電機マグネットスイッチとは msの構造と使い方 配線方 | ![]() 富士電機マグネットスイッチとは msの構造と使い方 配線方 | ![]() 富士電機マグネットスイッチとは msの構造と使い方 配線方 |
![]() 富士電機マグネットスイッチとは msの構造と使い方 配線方 | ![]() 富士電機マグネットスイッチとは msの構造と使い方 配線方 | ![]() 富士電機マグネットスイッチとは msの構造と使い方 配線方 |
![]() 富士電機マグネットスイッチとは msの構造と使い方 配線方 | ![]() 富士電機マグネットスイッチとは msの構造と使い方 配線方 | 富士電機マグネットスイッチとは msの構造と使い方 配線方 |
「動力 スイッチ 結線」の画像ギャラリー、詳細は各画像をクリックしてください。
![]() 富士電機マグネットスイッチとは msの構造と使い方 配線方 | 富士電機マグネットスイッチとは msの構造と使い方 配線方 | ![]() 富士電機マグネットスイッチとは msの構造と使い方 配線方 |
![]() 富士電機マグネットスイッチとは msの構造と使い方 配線方 | ![]() 富士電機マグネットスイッチとは msの構造と使い方 配線方 | ![]() 富士電機マグネットスイッチとは msの構造と使い方 配線方 |
![]() 富士電機マグネットスイッチとは msの構造と使い方 配線方 | 富士電機マグネットスイッチとは msの構造と使い方 配線方 | ![]() 富士電機マグネットスイッチとは msの構造と使い方 配線方 |
「動力 スイッチ 結線」の画像ギャラリー、詳細は各画像をクリックしてください。
![]() 富士電機マグネットスイッチとは msの構造と使い方 配線方 | ![]() 富士電機マグネットスイッチとは msの構造と使い方 配線方 | ![]() 富士電機マグネットスイッチとは msの構造と使い方 配線方 |
富士電機マグネットスイッチとは msの構造と使い方 配線方 | 富士電機マグネットスイッチとは msの構造と使い方 配線方 | ![]() 富士電機マグネットスイッチとは msの構造と使い方 配線方 |
![]() 富士電機マグネットスイッチとは msの構造と使い方 配線方 | ![]() 富士電機マグネットスイッチとは msの構造と使い方 配線方 | ![]() 富士電機マグネットスイッチとは msの構造と使い方 配線方 |
「動力 スイッチ 結線」の画像ギャラリー、詳細は各画像をクリックしてください。
![]() 富士電機マグネットスイッチとは msの構造と使い方 配線方 | ![]() 富士電機マグネットスイッチとは msの構造と使い方 配線方 | 富士電機マグネットスイッチとは msの構造と使い方 配線方 |
富士電機マグネットスイッチとは msの構造と使い方 配線方 | ![]() 富士電機マグネットスイッチとは msの構造と使い方 配線方 | ![]() 富士電機マグネットスイッチとは msの構造と使い方 配線方 |
富士電機マグネットスイッチとは msの構造と使い方 配線方 | 富士電機マグネットスイッチとは msの構造と使い方 配線方 | 富士電機マグネットスイッチとは msの構造と使い方 配線方 |
「動力 スイッチ 結線」の画像ギャラリー、詳細は各画像をクリックしてください。
![]() 富士電機マグネットスイッチとは msの構造と使い方 配線方 | ![]() 富士電機マグネットスイッチとは msの構造と使い方 配線方 | ![]() 富士電機マグネットスイッチとは msの構造と使い方 配線方 |
富士電機マグネットスイッチとは msの構造と使い方 配線方 | ![]() 富士電機マグネットスイッチとは msの構造と使い方 配線方 |
先日、三相(動力)のコンセントが焦げ付いていたのを発見!! 原因は、火災Top10に入る「トラッキング現象」です・・・(´゚ェ゚) 簡単に言うと、、ホコリがコンセントとプラグの間に入り込み、ホコリが電気を伝える導体になり発火する現象です。三相回路のキャップとコネクタの配線方法 それでは「三相回路のキャップとコネクタの配線方法」について解説しています。 今回の作業目的 建屋の0V三相回路の30Aコンセントから30Aキャップで電源を取出しAコネクタに変換するケーブルを作ることです
Incoming Term: 動力 スイッチ 結線,







































































コメント
コメントを投稿